- Table of Contents
- What is an SMA Connector?
- Core Technical Features and Applications
- SMA vs. RP-SMA: Physical Structure Comparison and Error Prevention
- PCB Design & Layout Considerations for SMA Connectors
- Why SMA Remains a PreferredChoice Over BNC and N-type Connectors in 2026?
- Sourcing and Manufacturing: Bringing Your RF Project to Life
- Conclusion
With the rapid expansion of 5G-A networks, aerospace communications, and industrial IoT, the demand for reliable high-frequency signal transmission is at an all-time high. At the heart of these complex RF (Radio Frequency) systems lies a critical component: the SMA connector.
But what exactly makes the SMA connector the industry standard for high-frequency applications? And more importantly, how can you ensure your PCB design is optimized to support its full potential?
In this comprehensive guide, we will dive deep into the technical specifications of the SMA connector, clarify common confusions (like SMA vs. RP-SMA), and share expert PCB layout tips to maintain signal integrity.
What is an SMA Connector?
SMA stands for SubMiniature version A. Developed in the 1960s, it is a semi-precision coaxial RF connector designed to provide a secure and highly reliable connection for high-frequency signals. Characterized by its threaded coupling mechanism (1/4-36 thread), the SMA connector ensures a tight, uniform contact that minimizes signal reflection and loss, even in environments subject to severe vibration in RF and microwave applications.


Core Technical Features and Applications
To understand why engineers default to the SMA connector, we need to look at its core technical features and application scenarios:
- Performance Parameters: The characteristic impedance of standard SMA connectors is 50 Ohms (standard for RF systems). Its frequency range typically covers from DC to 18 GHz, while precision versions extend to 26.5 GHz. High-performance precision variants can extend to higher frequencies, but applications above 26.5 GHz typically move to connectors such as 2.92 mm or 2.4 mm solutions.
- Physical Structure & Materials: Interface dimensions comply with the MIL-STD-348 standard. It usually consists of a brass or stainless steel body, gold-plated center contacts (brass or beryllium copper), and a PTFE (Teflon) dielectric for stable thermal and electrical properties.
- Durability & Adaptability: Typically rated for up to 500 mating cycles, making them ideal for testing environments and durable product designs. Additionally, SMA connectors are highly adaptable, offering various configurations including PCB edge-mount, cable-end connection, flange mount, and waterproof (IP67) versions to meet high-density integration and harsh environment requirements.
- Main Variants: Divided into Standard Polarity (Male has a center pin and inside threads; Female has a center receptacle and outside threads) and Reverse Polarity (RP-SMA, which swaps the pin and receptacle polarity to prevent mismatching with standard SMA, widely used in Wi-Fi equipment and antenna systems).
- 2026 Industry Status & Applications: With low loss, low VSWR, and a mature supply chain, SMA has become a widely used interface for RF modules, aerospace systems, and high-end test and measurement equipment. Millimeter-wave radar systems such as 77 GHz applications typically rely on higher-frequency connectors such as 2.92 mm (K-type) or 2.4 mm connectors.
SMA vs. RP-SMA: Physical Structure Comparison and Error Prevention
One of the most common pain points for procurement and hardware engineers is mixing up standard SMA and RP-SMA (Reverse Polarity SMA).
The Reverse Polarity SMA connector (RP-SMA) changes the gender of the internal center contact (swapping the center pin and center hole), while maintaining the original construction of the shell and its threads. RP-SMA was introduced to reduce compatibility with standard SMA interfaces in consumer wireless equipment. By reversing the center contact polarity, it reduces the chance of accidental mating with standard SMA connectors.
Core Structural Differences:
In RF connectors, gender is typically determined by the internal electrical components. RP-SMA prevents mismatching with standard SMA connectors by "reversing" this relationship. RP-SMA Male (Plug): has the same inside-threaded shell as a standard male, but instead of a center pin, it has a center receptacle (Socket). RP-SMA Female (Jack): has the same outside-threaded shell as a standard female, but instead of a receptacle, it has a center pin.
Here is a detailed comparison:
| Connector Type |
Shell Thread Position |
Center Contact Structure |
Common Application Scenario |
| Standard SMA Male |
Inside Threads |
With Pin |
RF Communication Modules, Cellular Antennas |
| Standard SMA Female |
Outside Threads |
With Hole (Receptacle) |
PCB Board-end Interfaces, RF Test Instruments |
| RP-SMA Male |
Inside Threads |
With Hole (Receptacle) |
Wi-Fi Router Antenna Ports |
| RP-SMA Female |
Outside Threads |
With Pin |
Wi-Fi Terminal Antennas, Consumer Wireless Devices |
- Pro Tip: Always verify both the "threading" and "center pin/hole" configurations before finalizing your BOM to avoid severe delays during production assembly. Do not rely on male/female naming alone; always verify both the thread orientation and the center contact type.
-
- Selection Advice: You must carefully check specifications or drawings when purchasing, as RP-SMA naming can sometimes cause confusion (e.g., in some scenarios, a female with a pin might be mistaken for a male).
Why is there a Reverse Polarity Design?
The emergence of RP-SMA was primarily to meet specific regulatory requirements, such as FCC Part 15:
- Preventing Illegal Gain: Early regulations required consumer wireless devices (like Wi-Fi routers) to use non-standard interfaces to prevent users from replacing antennas with high-gain ones, which could violate transmission power limits.
- Mutual Incompatibility: Standard SMA and RP-SMA connectors are mechanically incompatible and cannot be mated directly, achieving interface differentiation at the physical level.
PCB Design & Layout Considerations for SMA Connectors
Choosing the right SMA connector is only half the battle. If your PCB layout is flawed, you will experience severe insertion loss, impedance mismatch, and high VSWR (Voltage Standing Wave Ratio).
1) Maintain 50-Ohm Impedance
The trace connecting the SMA connector to the RF circuit should be designed for a controlled 50-ohm impedance. Depending on your PCB stackup, you will need to design a Microstrip or Coplanar Waveguide (CPW) trace. Use a reliable impedance calculator to determine the exact trace width and spacing.
>> Browse NextPCB Multi-layer PCB Stack-up Design & Impedance Control Solutions
2) Optimize the Connector Pad Size (Minimize Parasitics)
The soldering pad for the SMA center pin can act as a parasitic capacitor, which degrades high-frequency performance.
- Keep the center pad width as close to the 50-ohm trace width as possible.
- Consider using a controlled keepout area beneath the connector launch region, as removing unnecessary copper can help reduce parasitic capacitance.
3) Via Stitching for Grounding
For edge-mount or through-hole SMA connectors, a solid ground connection is paramount. Surround the RF signal trace and the connector’s ground pins with a "picket fence" of ground vias. This ties the top and bottom ground planes together, preventing electromagnetic radiation and suppressing unwanted resonances.
4) Choose the Right PCB Substrate
At frequencies above 3 GHz, standard FR4 material begins to show significant dielectric loss. For optimal SMA connector performance in high-frequency applications, consider using specialized RF laminates like Rogers, PTFE, or High-Tg materials.

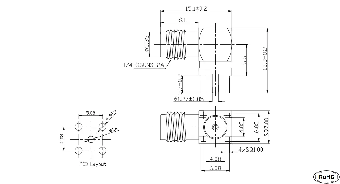
HJ-SMA020: Mechanical dimensions and PCB layout reference for a typical edge-mount right-angle SMA connector.
Why SMA Remains a Preferred Choice Over BNC and N-Type Connectors in 2026?
The reason SMA connectors remain highly competitive in 2026 stems from their balance of technical performance, compact size, application adaptability, and supply chain maturity:
1) Superior High-Frequency Transmission Capability
- Frequency Coverage: BNC connectors are commonly used in lower-frequency test and video applications, while N-type connectors are often chosen for higher-power RF applications. In contrast, standard SMA supports DC to 18 GHz, precision versions extend to 26.5 GHz, and 2026 high-frequency models (such as those from Amphenol RF) support up to 34 GHz. For specific industrial or scientific needs, custom high-performance models can even reach 40 GHz, perfectly fitting 5G-A, Wi-Fi 7, and automotive radar needs.
- Signal Integrity: SMA features low loss and low VSWR. In well-controlled designs, SMA connectors can achieve low VSWR and low insertion loss across a wide frequency range, helping preserve system sensitivity and transmission efficiency.
- Technical Tip: While RP-SMA's physical structure could theoretically reach above 18 GHz, its actual performance is limited by the coaxial cable type (flexible cables often reduce maximum frequency) and installation process (crimping vs. soldering). For performance above 40 GHz, the industry typically shifts to 2.92mm (K-type) connectors which use air dielectric.
2) Miniaturization and High Reliability
- Compact Size: The volume of an SMA is only about 1/3 that of an N-type connector. This miniaturization meets the 2026 design pain points for high-density board integration and weight-sensitive scenarios like drones and mobile terminals.
- Threaded Locking Mechanism: SMA connectors are widely used in RF front-end modules and test interfaces, while millimeter-wave radar systems (e.g., 77 GHz) typically rely on higher-frequency connectors such as 2.92 mm (K-type) or 2.4 mm connectors.
3) Universal Standard Status
In 2026, SMA has become a standard across industries:
- Communication Infrastructure: Supporting signal transmission between 5G-A/6G antennas and RF modules.
- Smart Driving: Serving as the core connection for 77 GHz automotive radar.
- Test and Measurement: Standard interface for oscilloscopes and VNAs.
- IoT: Widely used in Wi-Fi 7 routers and industrial gateways.
4) Mature Supply Chain and Cost Control
- High Cost-Performance: Compared to 2.92mm or 2.4mm millimeter-wave connectors, the SMA supply chain is extremely mature, enabling mass production with transparent pricing and short lead times.
- Low Upgrade Cost: SMA is directly compatible with most existing equipment designs. When upgrading to high-frequency products, enterprises face almost zero adaptation costs.
Sourcing and Manufacturing: Bringing Your RF Project to Life
When building high-frequency devices, component authenticity and precise manufacturing are non-negotiable.
Where to source quality SMA connectors? If you need reliable components with transparent pricing and real-time inventory, we recommend checking out HQ Online. You can visit the HQ Online SMA connector search page to secure the best parts for your project.

You can easily search for and purchase genuine SMA connectors of various specifications on HQ Online.
Where to manufacture your high-frequency PCB? An SMA connector is only as good as the board it's mounted on. At NextPCB, we specialize in advanced PCB manufacturing tailored for RF and microwave applications.
- High-Frequency Materials: We support advanced substrates including Rogers, Ceramic, and High-Tg PCBs.
- Precision Impedance Control: We guarantee tight tolerances for your 50-ohm traces.
- Turnkey PCB Assembly: From bare board fabrication to full SMT assembly, we mount your SMA connectors with precision and rigorously test them using SPI, AOI, and X-Ray inspection.
- Free DFM Tool: Before ordering, use our free HQDFM Design Analysis Software to detect any hidden layout issues that could impact signal integrity.

NextPCB provides professional RF PCB manufacturing, supporting high-frequency materials and ±5% precision impedance control.
Conclusion
The SMA connector is the universal standard interface in the high-frequency RF field, with applications ranging from consumer Wi-Fi routers to professional aerospace radar systems. During design and implementation, verifying technical specs like frequency range and impedance, accurately identifying Standard vs. RP-SMA interfaces for compatibility, and strictly executing 50 Ohm impedance matching in PCB layouts will effectively reduce signal reflection (VSWR) and minimize insertion loss.
Ready to bring your RF design to life? Choose reliable components and ensure your PCB manufacturing and assembly are optimized for high-frequency performance.